
Левая колонка
Фильтр
поделился публикацией
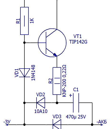
Приставка для десульфатации к ЗУ
Представленная в публикации схема, в виде приставки к зарядному устройству (ЗУ), предназначена для «тренировки» аккумуляторной батареи (АКБ) и уменьшения её склонности к сульфатации. Схема способна работать с ЗУ в основе которого лежит двухполупериодная форма зарядного тока (выпрямленные полупериоды частотой 100 Гц). В основе схемы – мощный составной транзистор VT1 TIP142G. При подключении на выход схемы АКБ, когда ЗУ ещё не включено, начинается зарядка конденсатора С1 через резистор R1, переход БЭ VT1 и резистор R2. Транзистор VT1 открывается и через него протекает значительный разрядный ток батареи аккумулятора, быстро заряжающий С1. С увеличением напряжения на конденсаторе С1, ток разрядки батареи уменьшается практически до нуля. После подключения ЗУ ко входу приставки, в начале полупериода выходное напряжение складывается с напряжением накопленным конденсатором С1, и зарядка происходит через диод VD2. По завершению разряда конденсатора С1 открывается диод VD3 через который прод
Показать еще
1 комментарий
4 раза поделились
58 классов
- Класс
Поделился темой
- Класс
Поделился фотографией
Поделился фотографией
Поделился фотографией
На этом пока всё
Войдите в ОК, чтобы посмотреть всю ленту
103
- Идущий к Светуг. Рязань (Рязанская область)
- Магомед ЮсуповГрозный
- ЖелИлим Новостной порталг. Железногорск-Илимский (Нижнеилимский район)
- Галина Гонгадзе (Иванова)Черемхово
- Анжелла Садохина (Макияж причёски косы)г. Черемхово (Иркутская область)
73
- Дотянуться до звезды103641 подписчик
- Самоделки от любителя504 подписчика
- Доска объявлений Железногорск-Илимский30001 подписчик
- FAVORIT MOTORS3864 подписчика
- ЖИЗНЕННЫЕ ИСТОРИИ...326684 подписчика