Фильтр
Анализ по постоянному току.
Статья предназначена для начинающих радиолюбителей. Для опытных будет неинтересна. Как нарисовать карту напряжений по принципиальной схеме, пользуясь только законом Ома(В некоторых случаях не помешает и знание законов Кирхгофа)? Закон Ома очень прост: I = U/R , где I -ток в Амперах, R - сопротивление в Ом, U -напряжение в Вольтах. (Или ток в mA, сопротивление в кОм, напряжение в В) При прохождении тока через резистор, в нем падает напряжение: U = I * R По напряжению и току можно определить сопротивление резистора: R = U/I Так же надо знать, как рассчитывается мощность. P = U * I =I * I * R = U * U/R Сначала познакомимся с распространенными схемами стабилизаторов тока. Стабилизаторы тока широко применяются в схемах усилителей, стабилизаторов напряжения. Величина стабильного тока вычисляется по формуле: I = Ur1/R1 Где Ur1 - напряжение на резисторе R1, в вольтах. R1 - сопротивление резистора R1 в кОм. Ток получается в mA. Для вычисления напряжения на резисторе R1 с опорного нап
Анализ по постоянному току.
Показать еще
  • Класс
NANOVNA - проверка фильтров, дискриминаторов, кварцев.
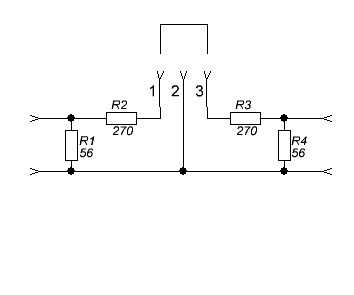
Небольшая статья для начинающих. Для проверки фильтров УПЧ ЧМ надо спаять простейший стенд, который состоит из 2-х разъемов SMA, 4 - х резисторов и панельки для микросхем(или части панельки - надо всего 3 гнезда). Резисторы нужны для согласования входного и выходного сопротивления фильтра, которые обычно для фильтров ПЧ около 330 Ом. После обычной процедуры калибровки NANOVNA переводится в режим свип - генератора(SWR), выставляется стартовая и конечная частота. Затем замыкаются контакты 1 и 3 гнезда, проводится калибровка. ( Здесь с подключенным стендом с замкнутыми гнездами 1 и 3 проводится только последний пункт калибровки - когда соединены вход и выход NANOVNA через стенд). Калибровка записывается в свободную ячейку. Характеристика пьезокерамического фильтра на 10,7 МГц. Как видим, характеристика фильтра неплохая. Вершина плоская. Перемещая курсор находим полосу пропускания на уровне -3 дБ от верха "шляпки". У этого фильтра полоса пропускания получилось 180 кГц, что со
NANOVNA - проверка фильтров, дискриминаторов, кварцев.
Показать еще
  • Класс
Пара слов о политике.
Часто приходится слышать или читать: Почему у нас такое не делают? Попробуем ответить на этот вопрос. Для того, чтобы что то производить нужны благоприятные экономические условия и объем рынка. СССР по некоторым товарам имел объем рынка до 1,5 млрд. человек. Да и внутренний рынок СССР был 260 млн человек. Для многих видов продукции того времени это был вполне достаточным объемом рынка. Конечно, объединенному Западу СССР уступал - рынок у них был общий, превышал рынок СССР в 2 раза, объединял развитые страны. По большинству оценок для современных товаров требуется рынок от 500 млн. С распадом СССР Россия ушла не только от внешних рынков, но и открыла свой внутренний рынок для иностранных производителей. В таких условиях конкурировать с Китаем, у которого только внутренний рынок более 1 млрд. невозможно. Объем рынка - это масштаб производства, который позволяет одно объединенное производство разделить на несколько специализированных. А масштаб производства позволяет автоматизир
Пара слов о политике.
Показать еще
  • Класс
Китайский частотомер с дисплеем 0802.
Обмен опытом. Речь идет о частотомере с диапазоном до 1,2 МГц. Мне попался экземпляр, который на частотах примерно с 30 МГц до 80 МГц показывал неизвестно что. При осмотре платы оказалось, что вместо резистора 330 Ом на стоке входного полевого транзистора стоит резистор сопротивлением 1 кОм. На входе стоит двухзатворный полевой транзистор BF998. На фото это резистор 1 - на него указывает красная стрелка. Заменил его резистором сопротивлением 100 Ом - возбуждение пропало - показания стали устойчивыми. Посмотрим схему входной цепи. R2 - резистор на стоке. На второй затвор подается 5 В. На первом затворе - 0 В. Хотя резистор утечки отсутствует, разряд входной емкости происходит через утечку диодов. Ток стока транзистора в этом режиме около 10 mA. Ясно, что при сопротивлении R2 1 кОм, транзистор полностью открыт и не находится в усилительном режиме. Напряжение на стоке с резистором такого номинала примерно равно 0. Схема работает за счет закрытия транзистора во время отрицательной
Китайский частотомер с дисплеем 0802.
Показать еще
  • Класс
АМ модулятор на BF998
Схема достаточно линейна. Уровень несущей - 150 mB(амплитуда). Уровень модулирующего сигнала - 200 mB(амплитуда). Уровень сигнала на выходе - 170 mB(амплитуда). Ток стока около 7,5 mA, что близко к оптимальному рабочему току стока 10 - 12 mA. В практической конструкции надо подобрать оптимальный режим подбором сопротивлений делителей R1, R2 и R4, R5. Напряжение на втором затворе чуть больше напряжения на первом затворе - примерно на 0,2 В. Нелинейность второй схемы больше, но схема имеет усиление около 3. Уровень несущей - 150 mB(амплитуда). Уровень модулирующего сигнала - 500 mB(амплитуда). Уровень сигнала на выходе - 440 mB(амплитуда). Ток стока около 8 mA, что близко к оптимальному рабочему току стока 10 - 12 mA. В практической конструкции надо подобрать оптимальный режим подбором сопротивлений делителей R2, R3 и R5, R6. Напряжение на первом затворе около 0,5 В. Напряжение на втором затворе чуть больше напряжения на первом затворе - примерно на 0,2 В. Естественно, при
АМ модулятор на BF998
Показать еще
  • Класс
АРУ на BF998
Продолжаем изучать моделирование на микрокапе. Данная схема - несколько видоизмененная схема АРУ, которая ест в расширенном даташите на транзистор. Там приведены 2 схемы - на 200 МГц и 800 МГц с входным и выходным сопротивлением 50 Ом. V1 - входной сигнал. V2 - напряжение АРУ. V3 + 5 В - напряжение на первом затворе. В практической конструкции надо предусмотреть резистивный делитель. На графике ниже приведены регулировочные характеристики при изменении управляющего напряжения от 2 В до 6 В. Передаточное отношение на низких частотах меняется от -53 дБ до + 15,6 дБ. Шаг изменения напряжения 0,5 В. При дальнейшем повышении управляющего напряжения до 8 В передаточное отношение увеличивается еще на 2 дБ. Естественно, указанные передаточные отношения на нагрузке 10 кОм. Шунтирующее влияние следующего каскада, как правило, выше. Поэтому в практической конструкции это надо учитывать. Ниже схема АРУ, но у транзистора нет резистора в цепи истока. Регулировочные характеристики. Здес
АРУ на BF998
Показать еще
  • Класс
Режим Супер-А или ЭА - экономичный А в УМЗЧ
Суть этого режима состоит в том, что выходные транзисторы усилителя ЗЧ работают без отсечки тока - с небольшим сквозным током. Т.е. транзистор не активного плеча находится в несколько приоткрытом состоянии и сохраняет управляемость. В УМЗЧ это важно, поскольку динамическая головка представляет собой нелинейную нагрузку, генерирует токи противо ЭДС. Поэтому важна быстрая реакция цепи ООС. Особенно это важно для НЧ звена. В журнале Радио было всего 2 публикации на эту тему. Это УМЗЧ Митрофанова - Радио N'6 1986 г., УМЗЧ Брагина - Радио N'12 1990 г. Моделирование показывает, что УМЗЧ Митрофанова не совсем корректно обеспечивает режим ЭА. УМЗЧ Брагина работает в настоящем режиме ЭА или Супер-А. Но этот усилитель оказался тогда без внимания - в тени усилителя высокой верности Сухова. Статья в журнале очень короткая - ничего не сказано о подборе деталей и налаживании усилителя. Вдобавок цепи, отвечающие за режим Супер-А оказались склонными к самовозбуждению. Самовозбуждение приводило к ух
Режим Супер-А или ЭА - экономичный А в УМЗЧ
Показать еще
  • Класс
УМЗЧ с коротким трактом.
Схема из сайта https://vpayaem.ru/amp65.html Выше представлена схема модели. На конденсаторы С2, С6, резисторы R10, R11 - с номиналом 0 не обращайте внимания. Могут понадобиться при настройке. R14, R15 , которые ставят для стабилизации теплового режима, сильно увеличивают коэффициент гармоник. Поэтому тоже не нужны. Отсутствие этих резисторов накладывает ограничение на напряжение питания - для обеспечения надежности оно должно быть не выше, указанного на схеме. Так же неплохо позаботиться о хорошем охлаждении выходных транзисторов - их желательно установить на отдельный радиатор без изолирующих прокладок. Коллекторы соединены вместе - это позволяет 2 выходных транзистора установить на одном радиаторе. Выходной каскад выполнен по схеме Шиклаи. По информации в сети, такой выходной каскад обладает меньшими искажениями, большей термостабильностью. Но имеет меньший запас по фазе, что для этой схемы не существенно - схема имеет короткий тракт. Так же такой выходной каскад имеет склонность
УМЗЧ с коротким трактом.
Показать еще
  • Класс
Усилитель класса экономичный А.
На канале "PRAKTICAL ELECTRONICS" ест статья "Экономичный усилитель с линейностью класса А" https://dzen.ru/a/aST7omvht0gbiJ68 На схеме ест ошибка с подключением резистора R17. В приведенной схеме ошибка исправлена. Начну с недостатков этого усилителя. 1. Выходное напряжение определяется выходным напряжением примененного ОУ. Поэтому требуется высоковольтное ОУ. 2. Большие значения сопротивлений резисторов на эмиттерах выходных транзисторов. На них будет рассеиваться достаточно большая мощность. Мощность, рассеиваемая на каждом резисторе более 1/8 выходной мощности при сопротивлении нагрузки 4 Ом , более 1/16 выходной мощности при сопротивлении нагрузки 8 Ом. 3. Предвыходные транзисторы включены по схеме с общим эмиттером. Это приводит к большей задержке сигнала, чем в схеме с общим коллектором. Несколько хуже АЧХ. 4. В отличие от тройки Дарлингтона, схема чувствительна к разбросу параметров примененных транзисторов. Что положительного дает такая схемотехника? Тут транзисто
Усилитель класса экономичный А.
Показать еще
  • Класс
Показать ещё