Фильтр
Двигатели LONCIN для мотоциклов. Самые популярные модели.
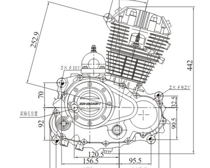
В целом на российском рынке самыми популярными двигателями, которые устанавливаются в мотоциклы, по прежнему являются двигатели ZONGSHEN. Самые распространенные модели двигателей ZONGSHEN мы рассматривали в другой публикации. Тем не менее, многие китайские производители устанавливают в мотоциклы двигатели LONCIN, которые имеют свои преимущества. Рассмотрим самые распространенные в России модели: Маркировка: 176MN Тип конструкции: 4х тактный, 1 цилиндр, жидкостное охлаждение, DOHC Рабочий объем, мл : 294 9 Размеры, мм: 350 х 324 х 440 Вес нетто, кг: 33 Максимальная мощность: 21 кВт (28,6 л.с.) / 8500 об/мин Максимальный крутящий момент, Нм: 25 / 7000 об/мин Степень сжатия: 11:1 Диаметр х ход поршня ,мм: 76 х 65 Стартер: электрический (6МКПП), кикстартер + электро (5МКПП) КПП: 6МКПП/ 5МКПП -------------------------------------------------------------------------------------- Маркировка: 176YMN Тип конструкции: 4х тактный, 1 цилиндр, 4х клапанный, масляное охлаждение, DOHC Рабочий объем
Двигатели LONCIN для мотоциклов. Самые популярные модели.
Показать еще
  • Класс
Есть ли альтернатива китайским мотоциклам.
Заголовок этой статьи конечно можно продолжить, есть ли альтернатива китайским мотоциклам, автомобилям, телефонам, одежде, детским игрушкам.... Действительно, куда ни глянь - кругом китайские товары. На рынке мототехники это заметно еще больше. В России подавляющее большинство новых мотоциклов в продаже - китайского производства, об объемах этих продаж мы говорили в другой публикации. Производство мотоциклов, мопедов, скутеров, квадроциклов в нашей стране - в целом дело мало прибыльное и очень рискованное, в любой момент резко изменившиеся обстоятельства внешней среды - курс доллара и цены на ресурсы, законодательство, конкуренция, легко поставят крест на таком производстве. Это понимают предприниматели, у которых возникает идея побороться с огромной машиной китайского мотопрома за долю на рынке. Но это понимают и предприниматели в этой сфере и в других странах, в которых ситуация для мотопроизводства не более привлекательна, чем в России. Поэтому бесконечные контейнеры с китайскими мо
Есть ли альтернатива китайским мотоциклам.
Показать еще
  • Класс
Что такое мототехника из Казахстана. Стоит ли ее покупать.
Мототехника из Казахстана, можно сказать, заполонила российский рынок в 2025 году. На фоне общего снижения спроса на мототехнику, как и на многие другие потребительские товары, мотоциклы, скутеры, квадроциклы из Казахстана, по цене в среднем на 30% дешевле цен российских продавцов пришлись многим по вкусу. В первой половине 2025 года, можно сказать, происходил бум продаж мототехники из Казахстана, общий объем проданной техники можно оценить на уровне в 100 000 единиц. Во второй половине 2025 года спрос на эту технику существенно снизился, в том числе и потому, что сезон продаж подошел к концу, но также и по ряду других причин, о которых далее в этой публикации. Это техника китайского производства, завезенная сначала в Казахстан, а затем из Казахстана в Россию, через физических лиц. Для чего это нужно ? Эта схема, в сравнении с прямым импортом товара из Китая в Россию, позволяет не уплачивать таможенные пошлины и НДС, и позволяет предложить более низкую цену, опять же, за наличный расч
Что такое мототехника из Казахстана. Стоит ли ее покупать.
Показать еще
  • Класс
Индийский мотоцикл TVS APACHE 200 4V. Мотоцикл на каждый день, или спортбайк ?
Индийские мотоциклы TVS представлены на российском рынке тремя моделями - TVS HLX 150X (классический универсальный мотоцикл), TVS APACHE RTR 180 (городской стрит), TVS APACHE RTR 200 4V (более дорогая модель с 4х клапанным двигателем). Серия мотоциклов APACHE выпускается более 20 лет, с 2005 года. Мотоциклы серии APACHE имеют спортивный внешний вид, и многие характеристики этих моделей позиционируются как спортивные. Но, на самом деле, в Индии это мотоциклы на каждый день, миллионы людей ежедневно ездят на них на работу. По сути они сочетают в себе удобство так называемого "комьютера" - мотоцикла для ежедневных поездок на работу, и более скоростного мотоцикла с молодежным дизайном, на котором можно "похулиганить" при желании. Ну и конечно, надежность и безотказную работу индийской мототехники. Модель TVS APACHE RTR 200 4V обладает следующими особенностями: 1. Индийское производство. Не Китай. Индийские мотоциклы существенно превосходят китайские по качеству и надежности. 2. Из
Индийский мотоцикл TVS APACHE 200 4V. Мотоцикл на каждый день, или спортбайк ?
Показать еще
  • Класс
Индийские мотоциклы TVS. Модели в продаже.
Индийская мототехника давно знакома российским покупателям, мотоциклы индийской марки BAJAJ есть в продаже на российском рынке с 2016 года. Недавно на российском рынке появились и другие индийские марки - ROYAL ENFIELD и TVS. Мотоциклы ROYAL ENFIELD ориентированы на аудиторию с достатком повыше, цены на модели 350 куб.см. на сегодня начинаются от 460 тр., а у BAJAJ и TVS есть как бюджетные модели, ориентированные на массового покупателя (BAJAJ BOXER, TVS HLX 150X), c ценой 160-190 тр., так и модели подороже. На фоне изобилия китайской мототехники на российском рынке индийские мотоциклы даже бюджетного уровня заслужили репутацию более надежной и качественной техники по сравнению с "китайцами". Индийские производители немногочисленны - их всего 4 - HERO, TVS, BAJAJ, ROYAL ENFIELD, каждый из них выпускает небольшой ассортимент моделей, но миллионными тиражами, что обеспечивает более высокий уровень качества и надежности по сравнению с китайскими производителями. Также, общий объем рынка
Индийские мотоциклы TVS. Модели в продаже.
Показать еще
  • Класс
TVS APACHE - самые продаваемые мотоциклы в сегменте 150-200 куб.см. в Индии. Скоро на российском рынке.
Мотоциклы индийского мото-гиганта TVS в настоящее время представлены на российском рынке моделью HLX 150X. HLX является простым универсальным мотоциклом классической конструкции. Более подробную информацию об этой модели можно посмотреть на сайте tvs-india.ru. В ближайшее время в продажу поступят более спортивные мотоциклы TVS - модели семейства APACHE - APACHE RTR 180 и модель с четырехклапанным двигателем APACHE 200 4V. Спортивными эти мотоциклы можно назвать условно, скорее по их внешнему виду. По конструкции также как, например, и более простая модель HLX 150X они являются "комьютерами" - простыми комфортными мотоциклами для ежедневных поездок на работу. Реальной спортивной моделью является TVS APACHE RR310 - мотоцикл, который на других рынках продается под брендом BMW RR310, но продажи этой модели в Индии относительно небольшие. На рынке Индии семейство мотоциклов TVS APACHE, включающее также модели APACHE 160 и APACHE 165, лидирует в продажах в сегменте мотоциклов с двигател
TVS APACHE - самые продаваемые мотоциклы в сегменте 150-200 куб.см. в Индии. Скоро на российском рынке.
Показать еще
  • Класс
Мотоцикл СКАУТ-9, полный привод (Ижтехмаш).
Внедорожный мотоцикл Скаут-9 с постоянным полным приводом (привод на оба колеса) производится серийно ижевским предприятием Ижтехмаш. Мотоциклы с полным приводом - конструкция редкая, в России на полном приводе серийно выпускаются только мотоциклы Bulldog (Балтмоторс), и Скаут (Скаут-5, Скаут-9, Ижтехмаш). Мотоциклы на полном приводе имеют конструкцию вездеходов, но основная причина, по которой их покупают в современных условиях даже не в этом - их покупают чаще именно ради ощущения полного привода, когда по тем или иным причинам хочется попробовать или эксплуатировать длительное время мотоцикл с приводом на оба колеса, не обязательно для экстремальных внедорожных условий. Таким мотоциклом по началу сложнее управлять, он напоминает трактор, который едет хоть в горку, хоть под горку одинаково. Максимальная скорость мотоцикла относительно не большая - 50-60 км/ч, по сравнению с обычными мотоциклами за счет широкой резины и массивных колес можно отметить его высокую курсовую устойчивост
Мотоцикл СКАУТ-9, полный привод (Ижтехмаш).
Показать еще
  • Класс
Мопед BOLT 1. Мопед в стиле кроссовер.
На российском рынке мопеды являются достаточно популярным видом мототехники. Мопеды BOLT появились в продаже недавно, в этой публикации рассмотрим их особенности. BOLT 1 является по своей стилистике и конструкции кроссовером, BOLT 2 - классическим вариантом, а BOLT 3 - круизером. Что касается моделей BOLT 1 и BOLT 2 то относительно различия в их конструкции можно провести параллели с индийскими мотоциклами BAJAJ BOXER 150X и BOXER 150 UG - это, казалось бы, один и тот же мотоцикл, но чаще покупают 150Х, у которого высокое переднее крыло во внедорожном стиле. BOLT 1 также имеет высокое переднее крыло, а BOLT 2 - классические крылья "дорожника". Есть и другие небольшие отличия, но основное визуально отличие это разные крылья. BOLT 3 по своей конструкции имеет больше отличий (об этом - в отдельной публикации) - это круизер с соответствующим дизайном рамы, бака, седла, руля, и соответствующей размерностью колес. Круизер подразумевает другой тип посадки водителя - спина водителя более прям
Мопед BOLT 1. Мопед в стиле кроссовер.
Показать еще
  • Класс
Показать ещё