Предыдущая публикация
Следующая публикация
Свернуть поиск
Сервисы VK
MailПочтаОблакоКалендарьЗаметкиVK ЗвонкиVK ПочтаТВ программаПогодаГороскопыСпортОтветыVK РекламаЛедиВКонтакте Ещё
Войти
  • Главная
  • Увлечения
  • Видео
  • Группы
  • Люди
  • Публикации
  • Игры
  • Подарки
  • Поздравления
  • Помощь
  • русский
Левая колонка
Обложка профиля
Фотография от Валерий Летуновский

Валерий Летуновский

Сейчас на сайте
Фотография от Валерий Летуновский
Gif
Фотография от Валерий Летуновский
Gif
Фотография от Валерий Летуновский
Gif
Фотография от Валерий Летуновский
Gif
Фотография от Валерий Летуновский
Gif
Фильтр
ЗаметкиУвлечения
588628270556

Валерий Летуновский

16 дек
поделился публикацией
PRACTICAL ELECTRONICS
PRACTICAL ELECTRONICS
Выпрямитель с «вольт-добавкой»
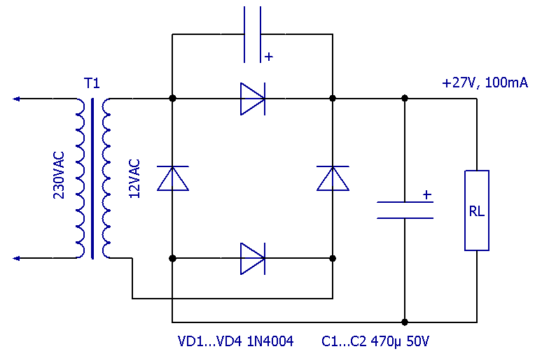
Бывает так, что напряжения, которое получается на выходе выпрямителя (диодного моста), не хватает, и его необходимо увеличить. Для этой цели в большинстве случаев применяют схемы умножителей напряжения. Недостатки таких схем известны: низкий КПД и большое внутреннее сопротивление. В этой публикации предложен ряд схемных решений для повышения выходного напряжения выпрямителя. Все приведённые ниже схемы испытывались с 12-ти вольтовым (вторичная обмотка) трансформатором и состоят из однотипных радиоэлементов и включались с одинаковым током в нагрузки, для объективного сравнения. Хороший эффект можно получить при использовании конденсатора «вольт-добавки». Он повышает напряжение, и дополнительно подавляет пульсации выпрямленного напряжения. Конденсатор повышает выходное напряжение примерно в 1,5...3 раза (зависит от тока нагрузки). При повторении схемы, следует учесть, что конденсаторы должны иметь рабочее напряжение в 2...3 раза выше, чем выпрямленное (на холостом ходу напряжение сильно
Выпрямитель с «вольт-добавкой»
Показать еще
3 комментария
5 раз поделились
43 класса
  • Класс
588628270556

Валерий Летуновский

15 дек
Поделился видео
♫❤  МУЗЫКА  ЛЮБВИ  ДЛЯ  ДВОИХ !!! ♫❤
♫❤ МУЗЫКА ЛЮБВИ ДЛЯ ДВОИХ !!! ♫❤
💔 🎵 Песни из нашей молодости № 11 (Дворовые, под гитару) ЗОЛОТОЙ СБОРНИК № 11
38:45
💔 🎵 Песни из нашей молодости № 11 (Дворовые, под гитару) ЗОЛОТОЙ СБОРНИК № 11
544 просмотра
0 комментариев
3 раза поделились
8 классов
  • Класс
588628270556

Валерий Летуновский

11 дек
поделился публикацией
Сеть домашних шоурумов "Русский Звук"
Сеть домашних шоурумов "Русский Звук"
Почему видеомагнитофоны звучат лучше, чем ЦАПы и кассетные деки?
Добро пожаловать на искрометный Dzen-канал Сети домашних шоурумов "Русский Звук", посвященный аудиотехнике. Напоминаем Вам о нашем сайте https://rus-audio.ru где вы можете найти информацию об ОТЕЧЕСТВЕННОЙ аудиотехнике и приобрести продукцию российских мастеров! Сегодня у нас очередная статья с просторов интернета, для ознакомления нашей Дорогой публики. Авторы (источники): deepseek.ком Отдельно отмечаем, что мнение Сети домашних шоурумов "Русский Звук" может не совпадать с мнением авторов статьи. Итак, поехали! Введение Забудьте на минуту про винил и катушки. Представьте: тяжелая кассета с лентой, мерцание индикаторов на панели сложного девайса и… звук, который обволакивает вас не цифровой стерильностью, а плотной, почти осязаемой аналоговой волной. Да, видеомагнитофоны — это не только «Джентльмены удачи» в записи. Некоторые из них были и остаются секретным оружием аудиофилов. Но все форматы видеолент звучали по-разному. Одни шелестели, другие пели. Сегодня мы проведем ликбез и выясни
Почему видеомагнитофоны звучат лучше, чем ЦАПы и кассетные деки?
Показать еще
2 комментария
13 раз поделились
180 классов
  • Класс
588628270556

Валерий Летуновский

10 дек
Поделился видео
♫❤  МУЗЫКА  ЛЮБВИ  ДЛЯ  ДВОИХ !!! ♫❤
♫❤ МУЗЫКА ЛЮБВИ ДЛЯ ДВОИХ !!! ♫❤
💔Песни нашей молодости № 10 (Дворовые, под гитару) ЗОЛОТОЙ СБОРНИК № 10 🎵
40:15
💔Песни нашей молодости № 10 (Дворовые, под гитару) ЗОЛОТОЙ СБОРНИК № 10 🎵
1 976 просмотров
0 комментариев
17 раз поделились
48 классов
  • Класс
588628270556

Валерий Летуновский

9 дек
Поделился видео
♫❤  МУЗЫКА  ЛЮБВИ  ДЛЯ  ДВОИХ !!! ♫❤
♫❤ МУЗЫКА ЛЮБВИ ДЛЯ ДВОИХ !!! ♫❤
Made in KZ - Небо над землей (Тимур Темиров)
03:40
Made in KZ - Небо над землей (Тимур Темиров)
720 просмотров
0 комментариев
3 раза поделились
15 классов
  • Класс
588628270556

Валерий Летуновский

6 дек
Поделился заметкой
Валерий Летуновский

Валерий Летуновский

Генератор Г4-65А в качестве задающего генератора к радиопередатчику.

...
    Генератор Г4-65А в качестве задающего генератора к радиопередатчику. - 976488561628
    • 0
    Генератор Г4-65А в качестве задающего генератора к радиопередатчику. - 976488562396
    • 0
    Генератор Г4-65А в качестве задающего генератора к радиопередатчику. - 976488562652
    • 0
0 комментариев
1 раз поделились
1 класс
  • Класс
На этом пока всё
Войдите в ОК, чтобы посмотреть всю ленту

63

  • Олег Бирюков
    Олег Бирюков
    Барановичи
  • Денис Приходько
    Денис Приходько
    Краснодар
  • Владимир Туровский
    Владимир Туровский
    c Туровка (Тамбовская область)
  • ✨❄️𝓝𝓪𝓽𝓪𝓵𝓲 ❄️✨
    ✨❄️𝓝𝓪𝓽𝓪𝓵𝓲 ❄️✨
    Саранск
  • Ivan Matveev
    Ivan Matveev
    с. Тамбовка (Тамбовский район)

  • Бесплатная открытка панда, цветок, вот такое большое спасибо
  • Бесплатная открытка девушка, мандарины, снег, зима, большое спасибо, всех благ тебе
  • Бесплатная открытка с днем святого николая, дед мороз, зима, олени, дом

115

  • NEWS.ru
    NEWS.ru
    58305 подписчиков
  • (Фильмы-Мультики-Сериалы) и Другое
    (Фильмы-Мультики-Сериалы) и Другое
    62641 подписчик
  • ДОБРЫЕ ФИЛЬМЫ ВРЕМЕН СССР
    ДОБРЫЕ ФИЛЬМЫ ВРЕМЕН СССР
    59324 подписчика
  • Юридическая консультация
    Юридическая консультация
    56613 подписчиков

Присоединяйтесь — мы покажем вам много интересного

Присоединяйтесь к ОК, чтобы посмотреть больше фото, видео и найти новых друзей.

Зарегистрироваться